| Typ <itemType> |
Dokument |
| Datering <presTimeLabel> |
1930-05-21 |
| Text i dokument <itemDescription> |
-
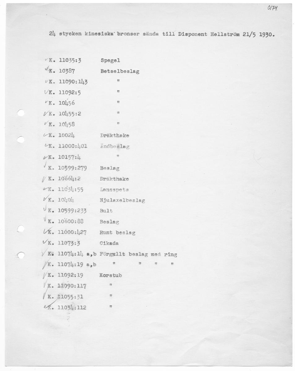
O/F4 21, stycken kinesiska bronser sända till Disponent Hellström 21/5 1930. Ks. Lr, VE. VE. RK. ME. vg; Esa V Kä /E. /E. /x. 11035:3 10387 11090:11,3 21092:5 101,56 101,55:2 101,58 19021), 11000:101 10157:h 10599:279 10664:2 1031;:55 10401 10599:233 10600:88 11000:127 11073:3 110714:1], a,b 1107l:19 a,b 11092:19 11090:117 £1055:31 110317: 112 Spegel Betselbeslag ” ” n ” ” DPräkthake ändbeslag " B...
Visa hela
O/F4 21, stycken kinesiska bronser sända till Disponent Hellström 21/5 1930. Ks. Lr, VE. VE. RK. ME. vg; Esa V Kä /E. /E. /x. 11035:3 10387 11090:11,3 21092:5 101,56 101,55:2 101,58 19021), 11000:101 10157:h 10599:279 10664:2 1031;:55 10401 10599:233 10600:88 11000:127 11073:3 110714:1], a,b 1107l:19 a,b 11092:19 11090:117 £1055:31 110317: 112 Spegel Betselbeslag ” ” n ” ” DPräkthake ändbeslag " Beslag Dräkthake Lansspets Hjulaxelbeslag Bult Beslag Runt beslsg Cikada Förgygllt beslag med ring " " " " Korstub n " ”
Stäng
|
| Text i dokument <itemDescription> |
-
078, Kopia. Den 21 maj 21930. Herr Disponenten m.m. A. Hellström, vy öd a åå & 1, Hedersbroder, Med ett hjärtligt tack för Ditt vänliga löfte att i sinom tid ställa till vårt förfogande 1.100:- kronor...
Visa hela
078, Kopia. Den 21 maj 21930. Herr Disponenten m.m. A. Hellström, vy öd a åå & 1, Hedersbroder, Med ett hjärtligt tack för Ditt vänliga löfte att i sinom tid ställa till vårt förfogande 1.100:- kronor för inlösen av sam- lingen Larsson V, tillsönder jeg Dig nu som postpaket de 21, kinesiska småbronser, som Du utplockade ur vårt förråd såsom ett ringa veder- lag för all Din frikostighet mot oss. De bronser ur Larsson V, som äro avsedda för Dig, vill jag däremot icke översända, innan jag fått Larssons godkännande av den värdering, som jag tillsänt honom och som svarar mot det av Dig donerade belonrpet. Med semlingarna Larsson: IV, Larsson VI och Erikseon I har direktör Brusewitz vänligen hjälpt mig, så jag är nu en glad och fri fågel, såvitt det gäller dessa fyra samlingar. Lagrelius har antytt till mig, att jag skall få följa med homom, då Kronprinsen kommer för att bese Din samling. Jag gläder mig ofantligt att snart få se Dina skatter. Din tacksamt tillgivne Jä Fö År
Stäng
|
| Händelse <context> |
-
Mottagen av Hellström, Anders.
-
Tillverkad 1930-05-21 av Andersson, Johan Gunnar.
|
| Nyckelord <itemKeyWord> |
-
E1A-4_0173
-
E1A-4_0173-0174
-
E1A-4_0174
|
| Typ av dokument<itemName> |
- brev
|
| Ämne <subject> |
|
| Arkivdokument-ID <itemNumber> |
|
| Tidigare identitet <itemNumber> |
|
| Tidigare identitet <itemNumber> |
|
| Rättigheter för metadata <itemLicense> |
|
| Källa <presOrganization> |
Statens museer för världskultur - Östasiatiska museet |
|
Källa <url>
|
|